• 一起环保,要去环保-环保信息网(17环保网)
  • 首页|水污染治理|大气污染治理|噪声污染治理|固体污染治理|电磁辐射治理|放射性治理|其他污染治理 收藏本页 · 设为首页
    当前位置:

    环保信息网 > 污染治理 > 水污染治理 > 正文

    小型SBR废水处理PLC电气控制系统课程设计

    访问: 水污染治理 来源:环保信息网 2010-11-04收藏本页 信息来至互联网,仅供参考

    废水处理技术是一种高效废水回用的处理技术,采用优势菌技术对校园生活污水进行处理,经过处理后的中水可以用来浇灌绿地、花木、冲洗厕所及车辆等,从而达到节约水资源的目的。

    废水处理系统方案要充分考虑现实生活中校园生活区较为狭小的特点,力求达到设备体积小,性能稳定,工程投资少的目的。废水处理过程中环境温度对菌群代谢产生的作用直接影响废水处理效果,因此采用地埋式砖混结构处理池以降低温度对处理效果的影响。同时,废水处理技术工艺参数变化大,硬件设计选型与设备调试比较复杂,采用先进的PLC控制技术可以提高废水处理的效率,方便操作和使用。

    废水处理系统分别由污水处理池、清水池、中水水箱、电控箱以及水泵、罗茨风机、电动阀门和电磁阀等部分组成,在污水处理池、清水池、中水水箱中分别设置液位开关,用以检测水池与水箱中的水位。废水处理系统示意图如图1所示。

    污水处理的第一阶段:当污水池中的水位处于低水位或无水状态时,电动阀会自动开起纳入污水。当污水池纳入的污水至正常高水位时,电动阀自动关闭,污水池中污水呈微氧和厌氧状态。

    污水处理的第二阶段:采用能降解大分子污染物的曝气法,可使污水脱色、除臭、平衡菌群的pH值并对污染物进行高效除污,即好氧处理过程。整个好氧(曝气)时间一般需要6~8h。在曝气管路上安装了排空电磁阀,当电动阀门自动关闭后,排空电磁阀开起,罗茨风机延时空载起动,然后排空电磁阀关闭,污水池开始曝气。当曝气处理结束后,排空电磁阀再次开起,罗茨风机空载停机,然后排空电磁阀延时关闭。曝气风机在无负荷条件下起动和停止,能起到保护电动机和风机的作用。经过0.5h的水质沉淀,PLC下达起动1#清水泵指令,将沉淀后的水泵入到清水池。当清水池中的水位升至正常高水位时,1#清水泵自动停止运行。这时2#清水泵自动起动向中水箱泵水,当水箱内达到正常高水位时,2#清水泵自动停止运行,这时中水箱内的水全部完成处理过程。

    如上所示,当中水箱内水位降至低水位时,2#清水泵又自动起动向中水箱泵水。当污水池中的水位降至低水位时,电动阀门会自动打开继续向污水池纳入污水。如此循环往复。

    废水处理技术针对污水水质不同选用生物菌群不同,工艺要求要求有所不同,电气控制系统应有参数可修正功能,以满足废水处理的要求。

    2 . SBR 废水处理系统动力设备

    废水处理系统中所使用的动力设备(水泵、罗茨风机、电动阀),均采用三相交流异步电动机,电动机和电磁阀(AC220V选配)选配防水防潮型。

    1#清水泵:立式离心泵LS50-10-A,扬程 10m ,流量 29m 3 /h,1kW。

    2#清水泵:立式离心泵LS40-32.1,扬程 30m ,流量 16m 3 /h,3kW。

    曝气罗茨风机:TSA-40, 0.7m 3 /min,1.1kW。

    电动阀:阀体D 97A 1X5-10ZB -125mm ,电动装置LQ20-1,AC380V,60W。

    3 . SBR 废水处理电气控制系统设计要求

    1) 控制装置选用PLC作为系统的控制核心,根据工艺要求合理选配PLC机型和I/O接口。

    2) 可执行手动/自动两种方式,应能按照工艺要求编辑程序并可实时整定参数。

    3) 电动阀上驱动电动机为正、反转双向运行,因此要在PLC控制回路加互锁功能。

    4) PLC的接地应按手册中的要求设计,并在图中表示或说明。

    5) 为了设备安全运行,考虑必要的保护措施,入如电动机过热保护、控制系统短路保护等。

    6) 绘制电气原理图:包括主电路、控制电路、PLC硬件电路,编制PLC的I/O接口功能表。

    7) 选择电器元件、编制元器件目录表。

    8) 绘制接线图、电控柜布置图和配线图、控制面板布置图和配线图等。

    9) 采用梯形图或指令表编制PLC控制程序。

    二、 SBR 废水处理电气控制系统总体设计过程

    1 .总体方案说明

    1) SBR废水处理系统控制对象电动机均由交流接触器完成起、停控制,电动阀电动机要采用正、反转控制。

    2) 污水池、清水池、中水水箱水位检测开关,在选型时考虑抗干扰性能,选用电极考虑耐腐蚀性。

    3) 电动阀上驱动电动机,其内部设有过载保护开关,为常闭触点,作为电动阀过载保护信号,PLC控制电路考虑该信号逻辑关系。

    4) 1#清水泵、2#清水泵、罗茨风机电动机、电动阀电动机分别采用热继电器实现过载保护,其热继电器的常开触点通过中间继电器转换后,作为PLC的输入信号,用以完成各个电动机系统的过载保护。

    5) 罗茨风机的控制要求在无负载条件下起动或停机,需要在曝气管路上设置排空电磁阀。

    6) 主电路用断路器,各负载回路和控制回路以及PLC控制回路采用熔断器,实现短路保护。

    7) 电控箱设置在控制室内。控制面板与电控箱内的电器板用BVR型铜导线连接,电控箱与执行装置之间采用端子板连接。

    8) PLC选用继电器输出型。

    9) PLC自身配有24V直流电源,外接负载时考虑其供电容量。PLC接地端采用第三种接地方式,提高抗干扰能力。

    2 . SBR 废水处理电气控制原理图设计

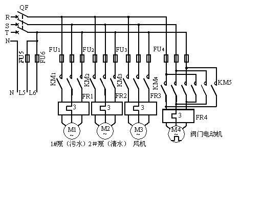
    (1)主电路设计 废水处理电气控制系统主电路如图2所示。

    1) 主回路中交流接触器KM1、KM2、KM3分别控制1#清水泵M1、2#清水泵M2、曝气风机M3;交流接触器KM4、KM5控制电动阀电动机M4,通过正、反转完成开起阀门和关闭阀门的功能。

    2) 电动机M1、M2、M3、M4由热继电器FR1、FR2、FR3、FR4实现过载保护。电动阀电动机M4控制器内还装有常闭热保护开关,对阀门电动机M4实现双重保护。

    3) QF为电源总开关,既可完成主电路的短路保护,又起到分断三相交流电源的作用,使用和维修方便。

    4) 熔断器FU1、FU2、FU3、FU4分别实现各负载回路的短路保护。FU5、FU6分别完成交流控制回路和PLC控制回路的短路保护。

    (2)交流控制电路设计 废水处理系统交流控制电路如图3所示。

    1) 控制电路有电源指示HL。PLC供电回路采用隔离变压器TC,以防止电源干扰。

    2) 隔离变压器TC的选用根据PLC耗电量配置,可以配置标准型、变比1:1、容量100VA隔离变压器。

    3) 1#清水泵M1、2#清水泵M2、曝气风机M3分别有运行指示灯HL1、HL2、HL3,由KM1、KM2、KM3接触器常开辅助触点控制。

    4) 4台电动机M1、M2、M3、M4的过载保护,分别由4个热继电器FR1、FR2、FR3、FR4实现,将其常闭触点并联后与中间继电器KA1连接构成过载保护信号,KA1还起到电压转换的作用,将220V交流信号转换成直流24V信号送入PLC完成过载保护控制功能。

    5 ) 上水电磁阀YA1和指示灯HL1、排空电磁阀YA2,分别由中间继电器KA2和KA3触点控制。

    (3)主要参数计算

    1) 断路器QF脱扣电流。断路器为供电系统电源开关,其主回路控制对象为电感性负载交流电动机,断路器过电流脱扣值按电动机起动电流的1.7倍整定。废水处理系统有3kW负载电动机一台,起动电流较大,其余三台为1.1kW以下,起动电流较小,而且工艺要求4台电动机单独起动运行,因此可根据3kW电动机选择自动开关QF脱扣电流 I QF :

    I QF = 1.7 I N =1.7 × 6A = 10.2A ≈ 10A ,选用 I QF = 10A 的断路器。

    2) 熔断器FU熔体额定电流 I FU 。以曝气风机为例, I FU ≥ 2 I N =2 × 2.5A = 5A ,选用 5A 的熔体。其余熔体额定电流的选择,按上述方法选配。控制回路熔体额定电流选用 2A 。

    3) 热继电器的选择请参考有关技术手册,自行计算参数。同时可以查看中国污水处理工程网更多技术文档。

    (4) PLC 控制电路设计 包括PLC硬件结构配置及PLC控制原理电路设计。

    1) 硬件结构设计。了解各个控制对象的驱动要求,如:驱动电压的等级、负载的性质等;分析对象的控制要求,确定输入/输出接口(I/O)数量;确定所控制参数的精度及类型,如:对开关量、模拟量的控制、用户程序存储器的存储容量等,选择适合的PLC机型及外设,完成PLC硬件结构配置。

    2) 根据上述硬件选型及工艺要求,绘制 PLC 控制电路原理图,绘制 PLC 控制电路,编制 I/O 接口功能表。图 4 为 SBR 废水处理系统 PLC 控制电路原理图, L6 作为 PLC 输出回路的电源,分别向输出回路的负载供电,输出回路所有 COM 端短接后接入电源 N 端。

    3) KM4和KM5接触器线圈支路,设计了互锁电路,以防止误操作故障。

    4) PLC输入回路中,信号电源由PLC本身的24V直流电源提供,所有输入COM端短接后接入PLC电源DC24V的(+)端。输入口如果有有源信号装置,需要考虑信号装置的电源等级和容量,最好不要使用PLC自身的24V直流电源,以防止电源过载损坏或影响其他输入口的信号质量。

    5) PLC采用继电器输出,每个输出点额定控制容量为AC250V, 2A 。

    表1和表2分别为废水处理系统PLC输入和输出接口功能表。

    表1 SBR废水处理系统PLC输入接口功能表

    序号

    工位名称

    文字符号

    输入口

    1

    污水池高水位开关信号

    H1

    X000

    2

    污水池低水位开关信号

    L1

    X001

    3

    清水池高水位开关信号

    H2

    X002

    4

    清水池低水位开关信号

    L2

    X003

    5

    中水箱高水位开关信号

    H3

    X004

    6

    中水箱低水位开关信号

    L3

    X005

    7

    起动按钮(绿色)

    SB1

    X006

    8

    停止按钮(红色)

    SB2

    X007

    9

    旋钮开关(自动)

    SB3-1

    X010

    10

    旋钮开关(手动)

    SB3-2

    X011

    11

    手动开电动阀旋钮开关

    SB4

    X012

    12

    手动关电动阀旋钮开关

    SB5

    X013

    13

    1# 清水泵手动旋钮开关

    SB6

    X014

    14

    2# 清水泵手动旋钮开关

    SB7

    X015

    15

    电动阀门开起限位开关

    SQ1

    X016

    16

    电动阀门关闭限位开关

    SQ2

    X017

    17

    电动阀电动机故障报警

    FR0

    X020

    18

    电动机热保护器报警

    KA1

    X021

    19

    曝气风机手动旋钮开关

    SB8

    X022

    20

    输入点备用

    X023 ~ X027

    ?

    表2 SBR废水处理系统PLC输出接口功能表

    序号

    工位名称

    文字符号

    输入口

    1

    1# 清水泵接触器

    KM1

    Y000

    2

    2# 清水泵接触器

    KM2

    Y001

    3

    污水池高水位红色指示灯

    HL7

    Y002

    4

    污水池低水位绿色指示灯

    HL8

    Y003

    5

    清水池高水位红色指示灯

    HL9

    Y004

    6

    清水池低水位绿色指示灯

    HL10

    Y005

    7

    中水箱高水位红色指示灯

    HL11

    Y006

    8

    中水箱低水位绿色指示灯

    HL12

    Y007

    (续)

    序号

    工位名称

    文字符号

    输入口

    9

    电动阀门开起绿色指示灯

    HL13

    Y010

    10

    电动阀门关闭黄色指示灯

    HL14

    Y011

    11

    开电动阀门接触器

    KM4

    Y012

    12

    关电动阀门接触器

    KM5

    Y013

    13

    电动机热保护器报警红色指示灯

    HL6

    Y014

    14

    罗茨风机(曝气风机)接触器

    KM3

    Y015

    15

    排空电磁阀继电器

    KA3

    Y016

    16

    上水电磁阀继电器

    KA2

    Y017

    17

    输出口备用

    Y020~Y027

    6) 根据上述设计,对照主回路检查交流控制回路、PLC控制回路、各种保护联锁电路、PLC控制程序等,全部符合设计要求后,绘制出最终的电气原理图。

    7) 根据设计方案选择的电气元件,编制原理图的元器件目录表,如表3所示。

    表3 SBR废水处理系统元器件目录表

    序号

    文字符号

    名 称

    数量

    规格型号

    备 注

    1

    M1~M4

    电动机

    4

    Y系列

    三相交流异步电动机

    2

    FR1~FR4

    热继电器

    4

    JR16B-20/3

    参照电动机整定电流

    3

    FU1~FU4

    熔断器

    12

    RL1-15

    熔体2~10A

    4

    FU5、FU6

    熔断器

    2

    RT16-32X

    熔体 2A

    5

    QF

    断路器

    1

    C45AD

    脱扣电流 10A

    6

    TC

    隔离变压器

    1

    BK-100

    变比1:1,AC220V

    7

    SB1

    起动按钮

    1

    LAY37

    绿色

    8

    SB2

    停止按钮

    1

    LAY37

    红色

    9

    SB3

    转换开关

    1

    LAY37-D2

    手动/自动转换

    10

    SB4~SB8

    手动开关

    5

    LAY37-D2

    黑色

    11

    KM1~KM4

    交流接触器

    4

    DJX-9

    线圈电压:AC220V

    12

    KA1~KA3

    中间继电器

    3

    HH52P

    线圈电压:AC220V

    13

    HL1~HL15

    指示灯

    15

    AD16-22

    LED显示,AC220V

    14

    YA1

    电磁阀

    1

    ZCT -50A

    线圈电压:AC220V

    15

    YA2

    电磁阀

    1

    ZCT -15A

    线圈电压:AC220V

    16

    YA3

    电动阀门装置

    1

    LQA20-1

    AC380,60W

    17

    PLC

    可编程序控制器

    1

    FX2N-48MR

    继电器输出

    (5) PLC 控制程序设计

    1) 程序设计。根据控制要求,建立废水处理系统控制流程图,如图11-5所示,表达出各控制对象的动作顺序,相互间的制约关系。在明确PLC寄存器空间分配,确定专用寄存器的基础上,进行控制系统的程序设计,包括主程序编制、各功能子程序编制、其他辅助程序的编制等。

    2) 系统静态调试。空载静态调试时,针对运行的程序检查硬件接口电路中各种逻辑关系是否正确,然后先调试子程序或功能模块程序,然后调试初始化程序,最后调试主程序。调试过程中尽量接近实际系统,并考虑到各种可能发生的情况,作反复调试,出现问题及时分析、调整程序或参数。

    3) 系统动态调试及运行。在动态带负载状态下调试,密切观察系统的运行状态,采用先手动再自动的调试方法,逐步进行。遇到问题及时停机,分析产生问题的原因,提出解决问题的方法,同时做好详尽记录,以备分析和改进。


    标签:污水处理技术 污水处理工艺 污染治理

    上一篇:活性污泥法在印染废水处理中的应用
    下一篇:臭氧在水处理技术中的应用

    您看了本文章后的感受是: